网站首页 新闻动态 政府信息公开 办事服务 互动交流 专题专栏
    • 首 页

    • 新闻动态

    • 政府信息公开

    • 办事服务

    • 互动交流

    • 专题专栏

    长者专区 | 无障碍阅读 | 智能问答
    • 政策
      • 规范性文件
      • 其它主动公开文件
        • 其它文件
        • 通知公告
      • 政策解读
      • 政策问答
    • 政府信息
      公开指南
    • 政府信息
      公开制度
    • 法定主动
      公开内容
      • 机构职能
        • 单位职责
        • 领导信息
        • 机构简介
      • 规划信息
        • “十四五”规划
        • 工作计划
      • 许可/服务
        • 依据、条件、程序
        • 行政许可结果
      • 处罚/强制
        • 依据、条件、程序
        • 行政处罚决定
      • 权责清单
      • 财政资金
        • 部门预决算及“三公”经费预决算
      • 行政事业性收费
      • 人事及招考录用
      • 其它主动公开内容
        • 公共便民查询
        • 政策执行及落实情况
        • 建议提案办理
        • 热点回应
        • 决策预公开
        • 政府会议
      • 数据发布
        • 2026
        • 2025
        • 2024
        • 2023
        • 2022
        • 2021
        • 2020及以前
    • 政府信息
      公开年报
      • 2025
      • 2024
      • 2023
      • 2022
      • 2021
      • 2020
      • 2019
    • 政府网站年度报告
      • 2025
      • 2024
      • 2023
      • 2022
      • 2021
      • 2020
      • 2019
    • 依申请公开

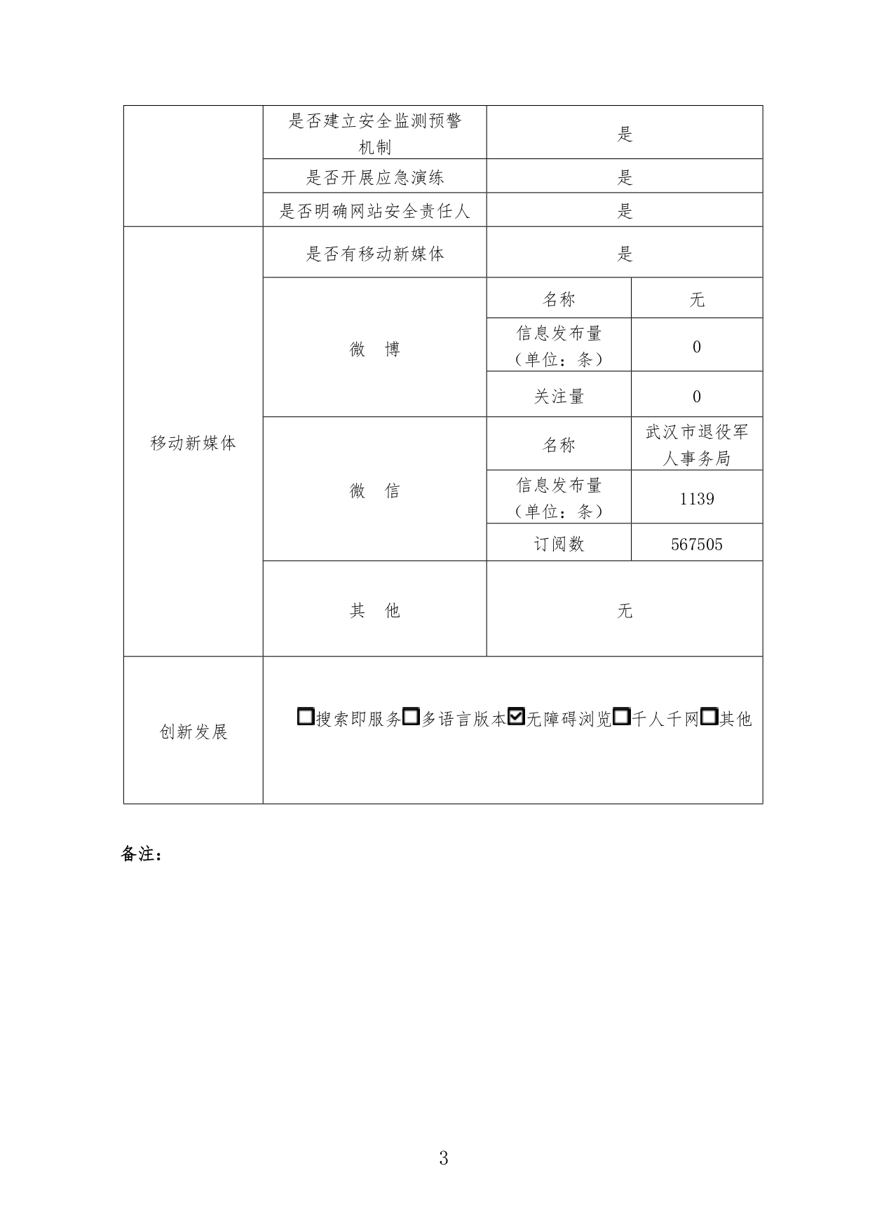
    武汉市退役军人事务局2025年政府网站工作年度报表


    网站链接

    • 中国政府网

    快速入口

    • 退役军人事务部
    • 中华英烈网
    • 中国双拥网
    • 中国退役军人网
    • 法制网

    政策问答  |   网站地图  |   隐私协议  |   工作时间:08:30-17:30

    主办单位:武汉市退役军人事务局  电话:027-82281029   地址:江岸区黄孝河路71号凯旋大厦  

    鄂ICP备:20001625号-1  网站标识码:4201000098  鄂公网安备 42010302002187号